Предохранители (вставки плавкие)

Система обозначений:



ВП Т 6-1 (0,16А\250В)
1 2 3 4
П К 45 (5А\600В)
1 2 3 4
  1. Тип
    П -предохранитель
    ВП -вставка плавкая
  2. Конструкция,характеристика
    Н -ножевые
    К -конические
    Ц -цилиндрические
    Т -замедленное время срабатывания
    Б -быстродействующие
  3. Типоразмер
  4. Ток\напряжение
 
ВП1-1, ВП1-2, ВП2Т-1Ш, ВП3Т-1Ш, ВП3Т-2Ш, ВП2Б-1В, ВП3Б-1В, ВПБ, ВПТ, ВП, ПН, ПНО,ПК,ПВ,ПЦ,ПН


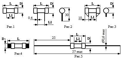
Тип Номинальный ток, А Uраб,(В) Траб,(C) Материал D,(мм) L,(мм) L1,()мм Рис.
ВП1-1 0,25; 0.5; 1; 2; 3,15; 4; 5 250 -60°C...+100°C керамика 4,0 15,0 - 1
ВП1-2 0,25; 0.5; 1; 2; 3,15; 4; 5 4,0 15,0 8,3 2
ВП2Т-1Ш 0.16; 0.2; 0,25; 0.315; 0.4; 0.5; 0.63; 0.8; 1.25; 1.6 -60°C...+85°C 5,2 20,0 10,0 1
ВП3Т-1Ш 0,25;0.315;0.4; 0.5;0.63;0.8; 1;1.25;1.6;2.0;2.5 7,2 30,0 18,0 1
ВП3Т-2Ш 3.15;4.5;6.3;8;10 7,2 30,0 18,0 1
ВП2Б-1В 0,25; 0.5; 0.8; 1; 1.25; 1.6; 2; 2.5; 3.15; 4; 5; 6.3; 8; 10; -60°C...+100°C 5,2 20,0 10,0 1
ВП3Б-1В 1; 1.25; 1.6; 2; 2.5; 3.15; 4; 5; 6.3; 8; 10 7,2 30,0 18,0 1
ВПБ-1...ВПБ-13 0.16; 0,25; 0.315; 0.4; 0.5; 0.63; 1; 1.25; 1.6; 2; 3.15; 4; 5 -60°C...+85°C стекло 5,2 20,0 10,0 1
ВПБ-14...ВПБ-26 0.16; 0,25; 0.315; 0.4; 0.5; 0.63; 1; 1.25; 1.6; 2; 3.15; 4; 5 7,2 30,0 18,0 1
ВПБ-27...ВПБ-42 0.16; 0,25; 0.315; 0.4; 0.5; 0.63; 1; 1.25; 1.6; 2; 3.15; 4; 5; 6.3; 8; 10 600 8,0 50,0 36,0 1
ВПТ6-1...ВПТ6-13 0.16; 0,25; 0.315; 0.4; 0.5; 0.63; 1; 1.25; 1.6; 2; 3.15; 4; 5 250 5,2 20,0 10,0 1
ВПТ6-14...ВПТ6-26 0.16; 0,25; 0.315; 0.4; 0.5; 0.63; 1; 1.25; 1.6; 2; 3.15; 4; 5 7,2 30,0 18,0 1
ВПТ6-27...ВПТ6-42 0.16; 0,25; 0.315; 0.4; 0.5; 0.63; 1; 1.25; 1.6; 2; 3.15; 4; 5; 6.3; 8; 10 600 8,0 50,0 36,0 1
ВП Т19 0.16; 0,25; 0.315; 0.5; 1; 2; 3.15; 5 250 5,2 20,0 10,0 1
ВПТ4 0.1; 0.16; 0.2; 0,25; 0.315; 0.4; 0.5; 0.63; 0.75; 1; 1.25; 1.6; 2; 3.15; 4; 5 -60°C...+70°C керамика 3,0 7,0 5,0 5
ПН 0,25; 0.5; 1; 2; 3; 4; 5; 6.3; 8; 10 -60°C...+85°C стекло 9,0 37,0 18,0 3
ПНО 0,25; 0.5; 1; 2; 3; 4; 5; 6.3; 8; 10 9,0 37,0 18,0 3
ПК-30 0.15; 0.25; 0.5; 1; 2 -60°C...+100°C 7,0 30,0 12,0 1
ПК-45 0.15; 0.25; 0.5; 1; 2;3; 4; 5; 600 7,0 45,0 26,0 1
ПК-55 0.15; 0.25; 0.5; 1; 2;3; 4; 5; 7,0 55,0 36,0 1
ПВ-25 1; 2; 3; 5 250 6,2 25,0 - 4
ПЦ-30 1; 2; 3; 5 7,0 30,0 18,0 1
ПН-50 0.25; 0.5; 1; 2;3; 4; 5; 600 7,0 50 36,0 3