Тиристоры низкочастотные
Т253-1250
Основные особенности:
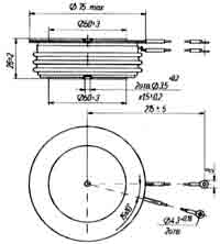
- Герметичные металлокерамические корпуса
- Таблеточная конструкция для двухстороннего охлаждени
- Внутреннее усиление сигнала управлени
- Минимальные потери в открытом состоянии
- Пригодны для последовательного и параллельного соединения, малый
разброс Qrr и VTM
Области применения:
- Управление двигателями постоянного тока
- Полностью управляемые выпрямительные мосты
- Регуляторы переменного тока
- «Мягкий» пуск электродвигателей переменного тока
- Электропривода высоковольтных синхронных двигателей мощностью до
6 МВт
Рекомендуемые охладители: О153, О253
VDRM
VRRM
| IRRM
IDRM
| IT(AV)
(TC,°C)
| ITRMS
| ITSM
10 ms
| i2t
| VTM/ITM
| VT(TO)
| rT
| (diT/dt)crit
| (dvD/dt)crit
| VGT
| IGT
| TJmax
| Rth(j-c)
| tQ
(typ)
| Md
| W
|
| V
| mA
| A
| A
| kA
| A2s103
| V/A
| V
| mΩ
| A/mks
| V/mks
| V
| mA
| °C
| °C/W
| mks
| Nm
| kg
|
| 400-1800 |
70.0 |
1250(92) |
2530.0 |
28.00 |
3920.00 |
1.60/3925 |
0.95 |
0.216 |
200 |
200-1600 |
3.5 |
300 |
125 |
0.0180 |
250 |
26.0 |
0.550 |