Тиристоры низкочастотные
Т273-2000
Основные особенности:
- Герметичные металлокерамические корпуса
- Таблеточная конструкция для двухстороннего охлаждени
- Внутреннее усиление сигнала управлени
- Минимальные потери в открытом состоянии
- Пригодны для последовательного и параллельного соединения, малый
разброс Qrr и VTM
Области применения:
- Управление двигателями постоянного тока
- Полностью управляемые выпрямительные мосты
- Регуляторы переменного тока
- «Мягкий» пуск электродвигателей переменного тока
- Электропривода высоковольтных синхронных двигателей мощностью до
6 МВт
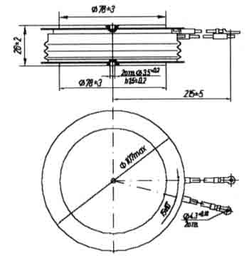
Рекомендуемые охладители: ДЖИЦ.432281.011(-01)
VDRM
VRRM
| IRRM
IDRM
| IT(AV)
(TC,°C)
| ITRMS
| ITSM
10 ms
| i2t
| VTM/ITM
| VT(TO)
| rT
| (diT/dt)crit
| (dvD/dt)crit
| VGT
| IGT
| TJmax
| Rth(j-c)
| tQ
(typ)
| Md
| W
|
| V
| mA
| A
| A
| kA
| A2s103
| V/A
| V
| mΩ
| A/mks
| V/mks
| V
| mA
| °C
| °C/W
| mks
| Nm
| kg
|
| 1800-2500 |
200.0 |
2000(85) |
3140.0 |
45.00 |
10125.00 |
1.75/6280 |
0.95 |
0.150 |
800 |
1600 |
3.5 |
300 |
125 |
0.0110 |
400 |
45.0 |
1.200 |