Тиристоры низкочастотные
Т243-630
Основные особенности:
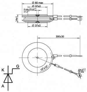
- Герметичные металлокерамические корпуса
- Таблеточная конструкция для двухстороннего охлаждени
- Внутреннее усиление сигнала управлени
- Минимальные потери в открытом состоянии
- Пригодны для последовательного и параллельного соединения, малый
разброс Qrr и VTM
Области применения:
- Управление двигателями постоянного тока
- Полностью управляемые выпрямительные мосты
- Регуляторы переменного тока
- «Мягкий» пуск электродвигателей переменного тока
- Электропривода высоковольтных синхронных двигателей мощностью до
6 МВт
Рекомендуемые охладители: О143, О243, О343
VDRM
VRRM
| IRRM
IDRM
| IT(AV)
(TC,°C)
| ITRMS
| ITSM
10 ms
| VTM
| (diT/dt)crit
| (dvD/dt)crit
| VGT
| IGT
| tQ
| TJ(min-max)
| Rth(j-c)
| M
| F
| Масса
|
| V
| mA
| A
| A
| kA
| V
| A/mks
| V/mks
| V
| mA
| mks
| °C
| °C/W
| Nm
| kN
| kg
|
| 1200-1800 |
70 |
630(85) |
989 |
10.0 |
1.90 |
320 |
500; 1000 |
2.5 |
0.25 |
125; 160; 200 |
-60÷125 |
0.035 |
- |
15±1.5 |
0.21 |